

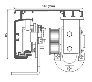
IAS-100S swing door system is an advanced entry solution designed to provide seamless, hands-free access to buildings
and rooms. This system automates the opening and closing of swing doors, enhancing accessibility, convenience, and
efficiency in various settings such as commercial buildings, healthcare facilities, and public institutions.
This system is equipped with a highly efficient brushless motor, designed to manage doors weighing up to 100kg. Working
with a smart controller, it supports integration with various safety devices and access control systems, offering a
truly hands-free operation.
Technical Datas
| Model | AIS-100S Swing Door |
|---|---|
| Type of operation | Motor opening and closing |
| Product dimension (mm) | 520 x 95 x 90 |
| Door type | sinqle open & double open |
| Open angle | 45°-110° |
| Max capacity | 100KG |
| Opening speed | 250-450 mm/ s |
| Closing speed | 250-450 mm/ s |
| Opening time(adjustdble) | 1 -30s |
| Manual force(power fails) | 3ON |
| Power supply | 50 w |
| Power consumption | 230V 50Hz |
| Working temperature | -20°C to +50°C |
Operational Diagram
Slide Arm & Push Arm
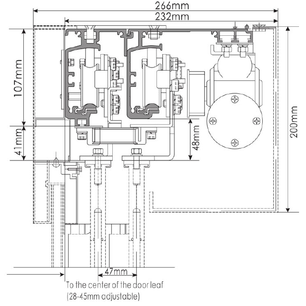
IAS-200S swing door system is designed for entrances where aesthetics, superior safety and sustainability areimportant.
With no visible arm and an integrated operator, this door system is unique on the market and makes a perfect fit to entrances in harsh environments like schools and transport hubs.
With no visible operator, this door system doesn’t require any extra cleaning on top of the operator and arm, it adapt heavy duty, high efficiency 36V brushless motor for max 150kg door. Meanwhile working together with smart controller, it can work with safety device, access control system, etc. It can really release your hand.
Technical Datas
| Model | IAS-200S Swing Door |
|---|---|
| Type of operation | Motor opening and closing |
| Product dimension (mm) | 518 X 77 X 106 |
| Door type | single open & double open |
| Open angle | 0°-110° |
| Max capacity | 150KG |
| Opening leaf time | 2-4s |
| Closing leaf time | 2-4s |
| Opening time(adjustdble) | 1 -30s |
| Manual force(power fails) | 3ON |
| Power supply | 50W |
| Power consumption | 230V 50Hz |
| Working temperature | -20°C to +50°C |
Operational Diagram
The IAS-60S unit width 600mm, compact size to fit more application scenarios. Industrial aesthetic design, striving for small and beautiful artistic feeling. Although the unit is small, the power is still strong, no less than the traditional unit.
Technical Datas
| Model | IAS-200S Swing Door |
|---|---|
| Drive unit | 24V DC Motor |
| Anti-extrusion device | Standard |
| Power supply voltage | AC220V+10%, 50/60Hz |
| Power consumption | Max 75V, standby 3W |
| Opening time (adjustable) | 3-7s |
| Closing time (adjustable) | 3-7s |
| Opening hold time(adjustdble) | 0.5-30s |
| Opening angle | 80°-100° |
| Drive arm | Pull arm / push arm |
| Working temperature | -20°C to +45°C |
| Relative Humidity | 85% |
Operation diagram
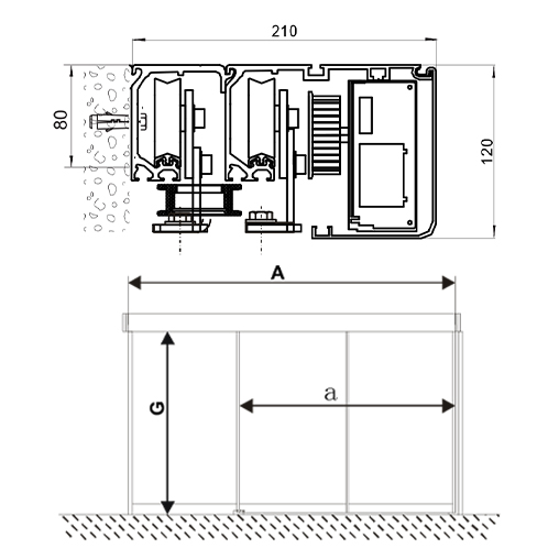
The IAS-200SN swing door system is designed for entrances where aesthetics, superior performance, and sustainability are important.
With no visible arm and an integrated operator, this door system is unique in the market and is an ideal fit for entrances in harsh environments, such as schools and transport hubs.
The absence of a visible operator means that no additional cleaning is required beyond the operator and arm. It features a high-efficiency brushless motor that can support doors weighing up to 150 kg.
Additionally, when working with a smart controller, it can integrate with safety devices and access control systems, making it truly hands-free.
Technical Datas
| Model | IAS-200SN Swing Door |
|---|---|
| Type of operation | Motor opening & closing |
| Product dimension (mm) | 520 X 95 X 82 |
| Door type | Single open & double open |
| Open angle | 45°-110° |
| Max capacity | 150kg |
| Opening/Closing speed | 3-7s/90° |
| Door width | 700mm-1200mm |
| Opening time (Adjustable) | 1-30s |
| Manual force (Power fails) | Pull arm / push arm |
| Power supply | 75W |
| Power consumption | 110-230V, 60/50Hz |
| Working temperature | -20°C to +50°C |
Operational Diagram
The IAS-150 Sliding Door System is a versatile sliding door solution capable of handling a maximum weight of 150kg. It is designed to work with a remote controller, radars and an access control system, making it suitable for various applications ranging from home to office environments. The system is known for its ease of installation and simple adjustment, providing a user-friendly experience for setup and customization to meet specific needs.
Tools
Technical Datas
| Models | IAS-150 Sliding Door |
|---|---|
| Door Panels | Single open / Double open |
| Holding Weight | 1 x 150kg / 2 x 150kg |
| Opening Width | 8-2000mm |
| Height | 128mm |
| Depth | 100mm |
| Opening Speed | 15 - 50cm/s / 15 - 45cm/s |
| Closing Speed | 10 - 45cm/s |
| Hold-Open Time | 2 - 20s |
| Main Power | 220V±10% AC50/60HZ 10A |
| Working Temperature | -25°C ~ 60°C |
Sectional View
The IAS-300 Automatic Sliding Door System is highly cost-effective and versatile. It can be configured for a single door capable of bearing weight up to 300kg or a double opening 200kgs x 2, making it suitable for a wide range of entrance and exit needs. The system features a permanent magnet synchronous motor, ensuring efficient operation, helps prevent frequent door openings and closings during high-traffic periods. This feature is especially useful in managing a smooth flow of people and avoiding unnecessary disturbances in crowded environments.
Tools
Technical Datas
| Model | IAS-300 Sliding Door |
|---|---|
| Open style | Single open / Double open |
| Installation type | Surface mounting |
| Door leaf weight | <300kgs / <200kgs x2 |
| Door leaf width | 700-3000mm / 800-4000mm |
| Motor | DC24V, 100W brush motor with encoder |
| Opening speed | 15cm/s - 50cm/s |
| Closing speed | 10cm/s - 45cm/s |
| Hold-open time (adjustable) | 1-30s |
| Impact force | <100N |
| Close force | ≥70N |
| Power | AC 220V+/-10%. 50/60Hz |
| Relative humidity | 65% |
| Ambient temperature | -20°C-+50°C |
Sectional View
Heavy Load Capacity, Simple Design: The system features a DC brushless motor that combines compact size with powerful performance, allowing it to support doors weighing up to 150 kg. Additionally, we utilize a straight forward and cost effective design, using economical components to reduce overall system costs.
Reliable Functionality and High Safety Standards: The control unit includes a self-learning and plug-and-play function that simplifies the programming process. It meets essential safety requirements, including emergency stop, fire alarm integration, safety beam sensors, and emergency UPS operation.
Easy Installation and Commissioning: All parameter settings can be quickly and easily configured via an integrated display with push buttons. The operation is straightforward and menu-assisted, eliminating the need for additional programming equipment. The system also includes numerous standard connections for external components, making integration effortless.
Technical Datas
| Models | IAS-150N Sliding Door |
|---|---|
| Door Panels | Single open / Double open |
| Holding Weight | 1 x 150 kg / 2 x 150 kg |
| Opening Width | 700 - 3000mm / 900 - 3000mm |
| Clear height | Max. 3000mm |
| Drive size (H*D) | 108 x 58mm |
| Max. opening Speed | 0.45m/s |
| Max. closing speed | 0.40m/s |
| Max. opening & closing force | 150N |
| Hold-Open Time | 1 - 20s |
| Main voltage, frequency | 230V 50Hz |
| Motor | 24V, 60W brushless motor |
| Working Temperature | -20°C to +50°C |
Example of installation
Intelligent control system, various parameters can be flexibly adjusted by manual or remote control according to the selected controller. Low-noise power unit, motor, worm gear and reducer integrated.
It adopts modern design, applies high-power brushless motor and new mechanical components that are trusted by the world. The hanging parts are made of imported high-strength nylon, and the load capacity of the unit reaches 2x250kg.
The electric lock function is safe and reliable. The control unit can be connected with building fire centre, when fire the door can be hold open or hold closed for safety.
It is suitable for all kinds of large-channel, industrial workshop, etc. It run smoothly, is easy to install and easy to maintain.
Technical Datas
| Models | IAS-250 Heavy Duty Door |
|---|---|
| Door Panels | Single open / Double open |
| Holding Weight | ≤ 1 x 300kg / ≤ 1 x 200kg |
| Opening Width | 1000 - 2800mm / 1800 - 3800mm |
| Power Supply | AC220V±10%, 50-60Hz |
| Power Consumption | ≤100W |
| Opening Speed | 200-460mm/S (adjustable) |
| Closing Speed | 200-460mm/S (adjustable) |
| Open Time | 1 - 9s (adjustable) |
| Close Force F | >100N |
| Manual Force | <100N |
| Humidity Rabge | -20°C to +50°C |
Sectional View
The controller has a built-in chip that can be intelligently adjusted to realize the automatic setting control process. The parameters can be flexibly set as needed to maintain optimal operation.
Two kinds of high-strength aluminium alloy guide rails are combined and connected with special accessories, which are easy to install and overall firm and beautiful.
The overlapping door bodies are interlocked by the pulleys, and the operation is stable and reliable. A high- quality EPDM strip is embedded in the middle of the rail slide section to absorb vibration and noise during operation, and the automatic door runs quieter.
Two-way resistance automatic rebound function, safety performance is more prominent. It is applicable to airports, hospitals, office buildings, banks, factories, hotels, shopping centres, companies and high-end residential and other places require big clean opening.
Technical Datas
| Models | IAS-50T Telescopic Sliding Door |
|---|---|
| Door Form | Single open / Double open |
| Loading Weight | ≤ 2 x 150kg / ≤ 4 x 100kg |
| Clean Opening Width | 1200 - 2700mm / 2200 - 3900mm |
| Power Supply | 220V±10%, 50-60Hz |
| Power Consumption | ˂150W |
| Opening Speed (adjustable) | 300-550mm/S |
| Closing Speed (adjustable) | 200-500mm/S |
| Open Time (adjustable) | 1 - 20s |
| Close Force F | ˃100N |
| Manual Force | ˂100N |
| Humidity Range | -20°C to +50°C |
Sectional View
The IAS-300T mini drive unit adopts a 24V, 100W high-power DC brush
motor, capable of supporting a maximum door weight of 300 kg.
Additionally, the magnetic encoder can read and control the door's optimal
performance.
A 32-bit ARM microcomputer and high-quality electronic
components form the controller, enabling a range of function.
The European track design prevents the motor from
blocking the working route and maximizes the
opening width.
It has a slim, modular height of 80
mm, made up of a supporting profile, guide profile,
and rubber components.
The carriage has a three-roller system and a top stopper, with an adjustable range of up to 13.5 mm to meet different needs.
Technical Datas
| Models | IAS-300T Telescopic Sliding Door |
|---|---|
| Door Panels | Single open / Double open |
| Door Weight | 150kg*2 / 100kg*4 |
| Opening Width | 600 - 1300mm / 600 - 1250mm |
| Close & Open Speed | 15-50cm/s / 1-50cm/s |
| Hold-Open Time | 2-30s |
| Buffer Speed | Automatically Adjusting |
| Main Power | 220V±10% AC50/60HZ 10A |
| Drive Unit | DC24V, 100W, Brush Motor |
| Ambient Temperature | -25°C 60°C |
| Relative Humidity | 65% |
| Closing Force | ≥70N |
| Manual Force | ≤100N |
| Consumption | ≤100W |
Sectional View